The great advantage of this sytem is that the
critical tuning components are nice and dry in the shack, no remote control, no
waterproofing, just twiddle and go!
Jim explains....
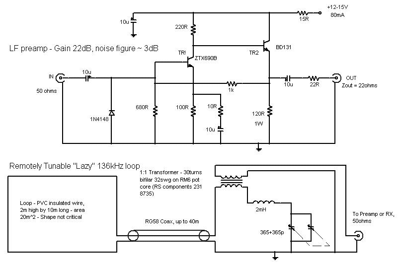
The preamp has 50ohms Zin, and with 50ohms
load gives 22dB gain. The noise figure is roughly 3dB, which is low enough for
most things, and has quite good strong signal performance - it can cope with
100mV RMS input without clipping, so the RX will almost always be overloaded
before the preamp. The output impedance is more or less that of the 22ohm
resistor, which ensures stability with reactive loads, so it is not fussy about
what load it is connected to. The bandwidth with the transistors shown is about
5MHz, but it is really meant for the LF/VLF range. TR1 can also be a ZTX650
with similar results, also a 2N4401 or 2N2222 are OK but with 1 or 2dB more
noise. A BD135, BFY52 or 2N3053 work well for TR2 - this runs quite warm so a
clip-on heatsink is desirable. Extra filtering of the 12V will be required if
there is significant noise on the supply.

I have used the preamp with several different
types of antenna, which I hope to write up when I get time. But a simple one
which is also quite useful is also shown in the attached file. This is a fairly
large single turn loop, which is series tuned by an inductor and variable
capacitor. The inductor should be reasonably high Q - I used 2 x 1mH ferrite
cored chokes (RS components 233-5291), with a Q of about 80. The transformer
allows one side of the tuning capacitor to be grounded - almost any
high-permeability ferrite core should work OK. The tuning part is located in
the shack, and connected to the loop with coax; this can be quite long, since
it effectively just increases the inductance of the loop, which in any case is
much smaller than the 2mH tuning inductance. This is not the most efficient way
of matching a loop to a pre-amp, but it is very convenient, and the losses in
the tuning are easily made up for by increasing the size of the loop. It also
gives a useful amount of front end selectivity.
The area of the loop required depends on how
deaf the receiver is - I tried it with an IC718, which with 250Hz CW bandwidth
needs about 0.9uV for 10dB SNR at 136k, about 20dB down on the sensitivity at
HF. The 20m^2 loop with the preamp gave ample signal-to-noise with this rig. If
sensitivity is inadequate, a bigger loop can be put up. The area is the
important factor which decides the signal level, height and shape are not
critical. This means it only takes a few minutes to put up, and can use any
available supports - the loop was just slung between a fence post and the
branches of a bush, with no additional insulation, a wire thrown over a small
tree also worked fine - hence the "Lazy" title. It could also be useful as a /P
receiving antenna. Of course, the loop should be mounted as far from noise
sources such as mains wiring as possible. If one end is made moveable, the loop
can be turned to null out QRM just as with a "proper" loop. The tuning
inductance can be changed to tune different frequency ranges - increased to
200mH, it was possible to get good results right down to the Alpha beacons on
about 12kHz.
© Jim M0BMU.
Notes by G3YXM.
I have used the preamp with a smaller,
multi-turn loop which I have mounted on a rotator. This was originally intended
to null-out interference from local sources. The interesting thing is that the
loop behaves differently from the main aerial especially at night. Sometimes
signals can be much better on the loop, although orientation is critical. I
recently worked OH1TN with 100% copy on the loop, whereas if I listened on the
main wire he was a very difficult copy... and it wasn't local noise that made
the difference. The loop does seem to be able to pick out the best mode of
propagation sometimes.

The loop is supported on a "crucifix" made
from two 2m aluminium poles, one vertical and one horizontal bolted together at
the centre. The wire is wound round four self-tapping screws sticking out near
the ends of the poles. I ended up using 5 turns which seems to give the best
sensitivity on 136kHz. I can also tune down to 60k at reduced sensitivity,
useful for a quick listen on 73k without retuning the main aerial.
I use two inductors in the preamp box which
can be selected by a switch. One for 60-100kHz and one for 100-150kHz. This
gave better sensitivity on 73k than just padding the C down.
Back to the
Features page.
Back to the LF News
page.